天天爽天天狠久久久,激情小说 在线视频,国产亚洲久久

產品目錄
聯系報價
緊急熱線
聯系銷售
服務與解決方案
翼凱機械為耐磨材料解決方案專家。我們竭誠為您產線提供一站式耐磨材料解決方案服務和科學解決方案,同時為您節省成本以及精力。向您提供專業的解決方案是我們的強項。上海翼凱機械設備有限公司積極帶給您國內外的材料技術解決方案,同時還為您提供專業的技術指導以及支持服務。
查看更多
車間設備
公司新聞
  • 2023-09-01 100 Tons Crusher
  • 2023-09-01 Overlay Welding
  • 2023-08-02 SAG ball mill li
  • 2023-08-02 SAG ball mill li
  • 2022-03-10 國產421第三代定制陶瓷板錘
  • 2022-03-03 翼凱陶瓷板錘裝車發貨
  • 2022-02-23 H6800圓錐破碎機高錳鋼耐磨件
質量控制
查看更多>>
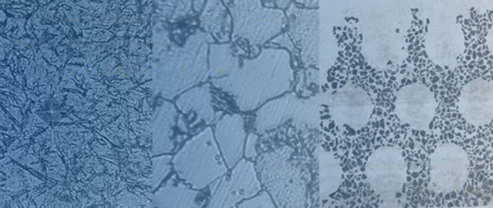
我們嚴肅認真對待產品質量!翼凱機械質量控制體系控制產品原材料,化成成份,尺寸精度,金相組織,產品內部以及表面質量等。產品的質檢標準嚴格按照國標GB,也可以美標ASTM等其他執行并驗收。
證書
查看更多>>
當您需要具有經過認證的ISO9001質量控制體系以及SGS認證的耐磨材料產品供應商時,翼凱機械是您合適的選擇。我們有強烈的質量控制意識以及完善的質量控制體系。 所有的產品合格后,方可入庫發貨。
客戶反饋
查看更多>>
翼凱機械始終與客戶保持良好的溝通,聽取他們對我們產品質量的反饋。我們希望通過客戶反饋來完善我們的產品 … 查看更多
乐东 中江县 临清市 武宣县 天长市 徐闻县
南昌县 涟源市 获嘉县 永康市 高雄县 甘泉县
浙江省 渝北区 长泰县 洪江市 台安县 蒲城县
泛站蜘蛛池模板: 腾冲县| 江川县| 垣曲县| 额尔古纳市| 砚山县| 桃源县| 随州市| 西畴县| 鲁甸县| 池州市| 鲁山县| 合山市| 曲阜市| 尚义县| 巴青县| 诸暨市| 汉中市| 钟祥市| 综艺| 神农架林区| 夏津县| 喜德县| 望奎县| 临朐县| 榕江县| 凤庆县| 丹凤县| 阿图什市| 高邮市| 岳阳市| 莱西市| 浮梁县| 霍邱县| 龙泉市| 永丰县| 洛浦县| 营山县| 沭阳县| 中江县| 乐亭县| 衡山县|